<address id="fxhpl"><address id="fxhpl"><nobr id="fxhpl"></nobr></address></address>
    <address id="fxhpl"><form id="fxhpl"></form></address>

          <address id="fxhpl"></address>

            <noframes id="fxhpl">
                <address id="fxhpl"></address>

                <span id="fxhpl"></span>

                <noframes id="fxhpl">

                800-988-1801

                首頁 > 資訊 > 同瑞新聞

                某大廈裙房結構【改造審批報告】-抗震鑒定報告

                   日期:2017-07-07

                一、項目背景

                該大廈裙房部分為地下三層、地上六層的框架結構(地下室為框架-抗震墻結構)辦公樓。現業主擬對裙房進行改造修繕,考慮改造修繕后房屋局部樓板開洞和建筑布局發生變化,為策安全,并為裝修改造設計提供依據,由該項目咨詢單位上海同瑞對該大廈裙房部分的安全現狀進行檢測,并對改造后的裙房結構進行抗震性能鑒定,對其裝修改造方案的技術可行性作出綜合評價,并對可能存在的問題提出處理建議。


                二、房屋建筑結構情況的檢測與復核

                根據委托方提供的房屋原始建筑結構設計圖紙,對房屋建筑結構現狀情況進行檢測與復核,為房屋結構抗震性能評估提供基本依據。


                三、房屋主要結構材料強度的檢測

                房屋采用鋼筋混凝土框架結構,混凝土強度設計等級均為C40。根據房屋結構特點和現場檢測條件,將房屋整體作為一個檢測單元,選取混凝土柱和梁,采用回彈法檢測混凝土強度,并用鉆芯法進行強度的修正。


                四、房屋相對不均勻沉降和傾斜情況的檢測

                4.1 房屋相對不均勻沉降趨勢的檢測

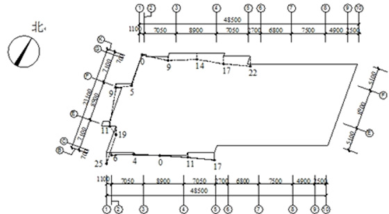
                采用日本SOKKIA C41型高精度水準儀,測量了房屋的相對不均勻沉降趨勢(含施工誤差)。根據現場檢測條件,測量時以底層墻腳勒腳線為相對水準面,測點布置及測量結果詳見圖1。

                圖1  房屋相對不均勻沉降測點布置及實測結果(單位:mm,含施工誤差)

                從圖1中可以看出,房屋南北向表現為南端沉降大、北端沉降小,平均相對傾斜1.1‰左右;東西向表現為東端沉降大、西端沉降小,平均相對傾斜1.0‰左右。房屋各方向相對傾斜值均低于上海市工程建設規范《地基基礎設計規范》(DGJ08-11-2010)關于同類建筑結構相對傾斜的限值(4.0‰)。

                4.2 房屋傾斜情況的檢測

                根據現場測試條件,采用日本產索佳SOKKIA CX-102型電子全站儀對房屋的整體傾斜情況進行了檢測。通過測量外墻轉角處上下兩端的相對三維坐標(含施工誤差)推算房屋整體傾斜率


                五、房屋損傷狀況的檢測

                結合現場檢測結果及原始設計圖紙,房屋墻面的細微裂縫和粉刷剝落主要與材料收縮有關;吊頂局部出現裂縫主要為材料收縮和應力集中所致,檢測未發現房屋出現因相對不均勻沉降導致的墻體開裂現象,也未發現各層混凝土梁板柱及墻等構件出現開裂和鋼筋銹蝕等結構損傷。


                六、房屋裝修改造方案及未來使用荷載的調查分析

                6.1 裝修改造方案的調查

                由委托方提供的裝修改造方案圖紙可知,本次裝修改造不改變房屋結構體系,*對內部建筑布局、部分樓層的使用功能,局部結構布置作適當的調整。裝修改造的方案具體如下:

                1)一層西側為商鋪,中間為迎賓大廳;二層均為商鋪;三層1~7軸為餐飲,其余為商鋪;四層為餐飲;五層電梯西側為食堂,東側為辦公區域;六層電梯西側為員工大會堂,東側為屋頂花園和**。
                2)原二層拆除二層5~10-C~E和5~10-F~H軸區域梁板,三層和四層的7~8軸區域增加填充墻,一層和二層外立面增加玻璃幕墻。
                3)原六層E-7~8軸和F-7~8軸處各增加一處門,露臺作為屋頂花園使用;五~六層的4~5-C~E軸區域增加樓梯。
                4)五、六層的4~5-F~H和4~5-C~E軸區域擬改造為衛生間。
                5)附錄Ⅴ給出了房屋裝修改造方案圖紙。

                6.2 未來使用荷載的調查

                為了對裝修后的房屋結構安全性及抗震性能作出正確的評價,對房屋未來的使用荷載進行了調查分析,為房屋結構性能的計算分析提供依據。荷載調查主要包括使用活荷載和恒荷載。活荷載的取值主要根據房屋裝修后的建筑功能按照國家標準《建筑結構荷載規范》(GB50009-2012)確定,恒荷載則根據樓板結構層厚度、建筑面層做法、分隔墻的墻體材料、厚度和高度等確定。

                梁、板、柱等結構構件自重由計算軟件自動導荷,考慮梁板柱構件表面粉刷層的重量,混凝土容重近似取26kN/m3。 多孔承重磚容重近似取10kN/m3,修正后的基本風壓取0.55kN/m2,地面粗糙度取C類。


                七、不考慮地震作用下房屋結構安全性的分析與評定

                為了解裝修改造后的房屋結構安全狀況,對不考慮地震作用下的結構安全性進行分析與評定。

                7.1 分析與評定條件

                根據國家標準《混凝土結構設計規范》(GB50010-2010)的有關要求,對不考慮地震作用下的結構安全性進行驗算,據此對房屋結構安全性進行綜合評定。

                7.2 房屋結構承載力計算分析

                不考慮地震作用下,考慮風荷載組合,對裝修改造后的未來使用荷載作用下結構安全性進行靜力驗算分析。

                1)墻梁柱及樓板承載力驗算

                計算結果表明:
                a. 地下剪力墻的計算配筋小于實際配筋,滿足承載力的計算要求;
                b. 各層框架柱計算配筋小于實際配筋,滿足承載力的計算要求;
                c. 各層框架梁計算配筋小于實際配筋,滿足承載力的計算要求;
                d. 各層樓屋面板計算配筋小于實際配筋,滿足承載力的計算要求。

                2)受現場條件限制,未能對房屋基礎情況進行檢測。根據委托方提供的原始資料,房屋基礎采用樁筏基礎,筏板即地下三層底板厚度為1400mm,樁基采用鉆孔灌注樁,直徑為600mm,樁頂標高-12.45m,設計樁長40m,單樁極限承載力660t。按工程經驗和地勘資料的說明,上海市低水位為室外地坪以下1.5m,由于基礎埋深為12.25m,故水對基底的托浮作用較大。考慮水的托浮作用后,計算結果表明,單樁反力**值為1391 kN,小于單樁豎向承載力特征值4730kN。基礎筏板滿足抗沖切承載力的計算要求,筏板配筋滿足抗彎承載力的計算要求。

                7.3 房屋結構安全性的綜合評定

                本次裝修改造不改變房屋結構體系,*對內部建筑布局、部分樓層的使用功能,局部結構布置作適當的調整。根據房屋結構安全性的計算分析可知,在不考慮地震作用下,考慮風荷載組合作用下,裝修改造后房屋整體上能滿足結構安全性的要求。


                八、房屋結構抗震性能鑒定

                8.1 抗震鑒定條件的分析

                本次裙房部分裝改造后主要作為商業(*五層電梯東側為辦公室)。根據國家標準《建筑抗震鑒定標準》(GB50023-2009)和上海市工程建設規范《現有建筑抗震鑒定與加固規程》(DGJ08-81-2015),按照B類建筑(后續使用年限40年)的要求,對房屋的結構抗震性能進行鑒定。

                8.2 房屋結構抗震措施的調查

                根據國家標準《建筑抗震鑒定標準》(GB50023-2009)和上海市工程建設規范《現有建筑抗震鑒定與加固規程》(DGJ08-81-2015)關于B類建筑(后續使用年限40年)的相關規定,按照框架結構 (地下部分為框架-剪力墻結構)體系的要求,對房屋結構抗震措施進行鑒定。

                8.3 房屋結構抗震性能驗算

                根據國家標準《建筑抗震鑒定標準》(GB50023-2009)關于B類建筑(后續使用年限40年)的相關規定,按照框架結構體系 (地下部分為框架-抗震墻結構)的要求,對房屋結構抗震措施進行鑒定,框架抗震等級按三級,地震作用折減系數取0.9,計入構造影響的結構體系影響系數取0.9,采用抗震承載力驗算的方法對結構抗震性能進行綜合評定。

                8.4 房屋結構抗震性能綜合評定

                1)抗震措施鑒定結果表明:房屋結構抗震措施部分不滿足抗震鑒定標準的要求。

                2)抗震性能驗算結果表明:各層剪重比滿足*小地震剪力系數要求(1.6%),剛重比滿足結構穩定性驗算要求(1.4);一層層間剛度比不能滿抗震鑒定標準的要求,其余各樓層層間剛度比、受剪承載力比均滿足現行抗震設計規范限值要求;房屋X、Y向在地震作用下的**層間位移角均滿足現行抗震設計規范關于框架結構體系的限值(1/550)。

                3)抗震承載力驗算結果表明:部分框架柱和框架梁抗震承載力不足。

                房屋抗震性能綜合評定為不能滿足國家標準《建筑抗震鑒定標準》(GB50023-2009)關于B類建筑(后續使用年限40年)的要求。


                九、房屋裝修改造方案的技術可行性分析

                根據鑒定結果,考慮后續使用年限40年時,房屋結構整體不滿足抗震鑒定標準的要求,為此,需對結構進行局部抗震加固,抗震加固尚需注意以下幾點:

                1)在裝修改造設計時,建議上部荷載盡可能均勻分布,在參考原有荷載分布的基礎上不作較大調整,裝修改造后的商業辦公樓內部隔墻建議盡量采用輕質隔墻。
                2)新增的玻璃幕墻應與房屋結構可靠連接。
                3)房屋部分結構構件抗震承載力不能滿足抗震鑒定標準的要求,建議對抗震承載力不足的結構構件作必要的加固處理。
                4)根據委托方對房屋后續使用年限為40年的要求,對結構進行局部加固處理后,應按照抗震鑒定標準關于B類建筑的要求控制其各項性能指標。

                綜上所述,房屋部分構件作適當的加固處理后,能滿足抗震鑒定標準關于B類建筑(后續使用年限40年)的要求,其裝修改造方案在技術上是可行的。


                十、鑒定結論與建議

                現場檢測及計算分析結果表明,房屋部分構件作適當的加固處理后,能滿足現行國家標準《建筑抗震鑒定標準》(GB50023-2009)關于B類建筑(后續使用年限40年)的要求,其裝修改造方案在技術上是可行的。具體檢測鑒定結論與處理建議如下:

                01 房屋南北向表現為南端沉降大、北端沉降小,平均相對傾斜1.1‰左右;東西向表現為東端沉降大、西端沉降小,平均相對傾斜1.0‰左右。房屋各方向相對傾斜值均低于上海市工程建設規范《地基基礎設計規范》(DGJ08-11-2010)關于同類建筑結構關于相對傾斜的限值(4.0‰)。

                02 房屋東西向整體表現為向東傾斜(局部向西傾斜),其傾斜率在0.27~0.0.5‰之間;南北向整體表現無明顯規律,其傾斜率在0.01~0.41‰之間。房屋東西向傾斜規律與相對不均勻沉降趨勢基本一致,各方向傾斜值均低于國家標準《建筑地基基礎設計規范》(GB50007-2011)關于同類建筑結構傾斜率的限值(4.0‰)。

                03 地下三層~六層結構混凝土強度可綜合評定為49.9MPa,滿足原設計強度等級(C40)的要求;裝修改造設計時,建議混凝土強度等級取原設計值。

                04 部分柱粉刷層出現裂縫或剝落現象;樓梯間墻面出現裂縫、空鼓;一層吊頂局部出現裂縫;部分墻面出現滲水現象,以上損傷均為非結構性損傷,不影響房屋結構安全,建議在裝修施工過程中,進行必要的修復處理。

                05 不考慮地震作用下,考慮風荷載組合下,房屋整體滿足結構安全性的要求。房屋裝修方案在技術上是可行的,但在裝修改造中需對新增洞口周邊構件進行適宜的加固處理。

                06 房屋的構造措施基本滿足抗震鑒定標準要求,但部分框架柱和框架梁抗震承載力不足;房屋抗震性能綜合評定為不能滿足國家標準《建筑抗震鑒定標準》(GB50023-2009)關于B類建筑(后續使用年限40年)的要求。建議采用增大截面法和粘貼碳纖維布加固法對不滿足抗震承載力要求的框架柱和框架梁進行加固處理。

                07 在裝修改造中建議上部荷載盡可能均勻分布,在參考原有荷載分布的基礎上不作較大調整,辦公區域隔墻建議盡量采用輕質隔墻,新增玻璃幕墻應保證與房屋結構可靠連接。

                08 鑒于房屋裝修改造后,使其使用功能和上部結構荷載分布發生變化,裝修施工過程中,建議在房屋四周設置監測點,對其變形進行監測。

                09 本報告中的計算分析供設計人員參考,裝修改造設計方案如發生變動,應重新進行計算分析,并對不滿足計算要求的構件進行加固處理。

                10 現場檢測混凝土構件鉆取芯樣處,在改造施工過程中,建議及時采用高標號微膨脹細石混凝土進行修復處理。

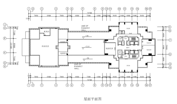
                裙房結構平面圖

                免費咨詢電話:400-821-3165

                ZvphPLU5Zbxd14Cgq/bg2K4nyEx6IiHoqbqxH3t0V3j7jDusfoVPu5w5Qv3yTCcTeNIgwq/2PmLPVtMQfFyjvynwssHnVrPd6jcuxEfzuxN1B7Xv34HYf/uTzrAAQOp9HWLalTDlomJgitpvBt/tFW1AzUKQ/1OLxcunSgFhA043w5pwgy5HgC5AZDiGN1gjns1tiroIQRDjWO26fJpyeAmpew2f9pw/FeX8JCekTUHiuCedWsSo0/ZIsurUarg9 啦啦啦中文免费观看在线