<address id="fxhpl"><address id="fxhpl"><nobr id="fxhpl"></nobr></address></address>
    <address id="fxhpl"><form id="fxhpl"></form></address>

          <address id="fxhpl"></address>

            <noframes id="fxhpl">
                <address id="fxhpl"></address>

                <span id="fxhpl"></span>

                <noframes id="fxhpl">

                800-988-1801

                首頁 > 資訊 > 資料下載

                危房鑒定報告

                   日期:2017-05-04

                通過案例形式,講解危房鑒定報告報告如何撰寫,報告內容有哪些,以及報告案例下載(在文章底部哦),本文為上海同瑞原創內容,禁止轉載

                一、委托單位及房屋概況

                1.1 委托單位概況

                1.2 房屋概況


                二、工程概況

                    該大夏所位于徐匯區,由原上海縣建筑設計室設計,施工單位不詳。房屋始建于 1988 年,原設計為二層,后歷經一次改建擴建,形成高三層、總建筑面積約 1800m2的托兒所。2013 年,托兒所西側距離約其 10~15m 左右(由于現場測量條件受限,距離按檢測人員目測估算取值)的一棟大樓施工完畢并投入使用,大樓地上部分為八層、地下部分為三層停車庫。據托兒所相關負責人介紹,從西側大樓基坑開挖至目前投入使用期間,托兒所房屋外墻及女兒墻出現裂縫擴展、內墻開裂滲水、粉刷脫落及外墻立面往西側大樓方向傾斜等現象,同時也存在托兒所園區圍墻裂縫較多,園區內操場地面塌陷及通往房屋室內的臺階處瓷磚拉裂等情況。現因發現房屋裂縫有進一步擴大現象,為了解房屋完損狀況,某基建管理站委托某房屋質量檢測站對房屋完損狀況進行檢測,并對房屋目前的沉降發展趨勢進行查,對存在的問題提出處理建議。

                    本站接受委托后,制定了周詳的檢測方案,檢測方案經委托方認可。2015年 5 月 13 日,本站組織技術人員赴現場對房屋相對不均勻沉降、傾斜變形及損傷情況進行了全面調查,并自檢測之日起開始進行為期六周的房屋沉降和裂縫擴展情況的監測,隨后對檢測和監測結果進行了整理分析。檢測評定的主要工作內容有:

                    1) 房屋建筑結構情況的調查;
                    2) 房屋相對不均勻沉降和傾斜情況的檢測;
                    3) 房屋損傷情況的檢測;
                    4) 房屋沉降和裂縫情況的監測;
                    5) 分析房屋損傷的原因及房屋損傷對結構安全性的影響;
                    6) 對存在的問題提出處理建議。

                    現根據現場檢測、監測數據及分析結果,提出如下檢測報告,供委托方和有關部門參考。


                三、房屋建筑結構概況

                3.1  房屋建筑概況

                    該大廈為三層磚混結構,建筑平面為不規則多邊形,原設計為二層房屋,后歷經一次改建擴建,形成高三層、總建筑面積約 1800m2的托兒所。房屋東西向總長度為28000mm、南北向寬度為 25000mm,各層層高均為 3300mm,屋頂女兒墻高 900mm,室內外高差 450mm,總建筑高度為 10350mm。該大廈園區四周有圍墻,在園區東北角和東南角為師生室外活動的兩塊操場區域,西南角現為小塊種植園。一層室內房間主要有大堂、餐廳、兩間活動室和廚房、洗衣房及醫務室等,并在房屋主體外擴建一間單層廚房和幾間單層儲藏室。

                    房屋中部樓梯為底層通往二、三層室內的主要樞紐,南邊室外旋轉樓梯通往二層的活動室陽臺。二層室內主要為三間活動室、兩間教師辦公室和中部區域的學生餐廳,西北角部分為屋頂平臺。三層室內主要有三間活動室、一間會議室、一間教師辦公室和中部學生餐廳,并在南邊兩活動室之間有直跑樓梯通往二層陽臺。圖 2 給出了房屋一層建筑平面圖,圖 3 為房屋南立面圖。
                 
                3.2  房屋結構概況

                    該建筑采用縱橫向磚墻承重的磚混結構,承重磚墻厚均為 240mm,各層樓(屋)面板主要采用預制混凝土空心板,主要型號為YKB539、YKB529、YKB530、YKB540、YKB320 等。陽臺及部分衛生間采用現澆混凝土板,板厚為 80mm;底筋拉通配置,主要形式為6@200、8@200、8@160、10@160;頂筋分離式配置,主要形式為6@200,支座伸出長度為 300mm、400mm。各層承重磚墻頂設有鋼筋混凝土圈梁,圈梁主要截面有 240×200mm、240×150mm、240×400mm、240×300mm,上部鋼筋均為 212,底筋主要為 212、312 和220 不等。軸網 2/A~B、7/A~B、5/C~D、6/C~D、11/C~D 處,一~三層設有部分框架結構,混凝土強度設計等級為 200#(C18)。柱截面為 400×400mm、240×240mm,配筋形式主要為 616、416 和 414 等,箍筋為6@200;框架梁截面為200×600mm,跨中配筋主要為 214+122、214+118 和 316 等,支座配筋主要為 212+122、212+118 和 212+116等,箍筋均為 6@200。圖 4 給出了房屋原二層結構平面圖。

                3.3  房屋基礎概況

                    通過查閱委托方提供的圖紙可知,該托兒所采用條形基礎,基礎埋深為-1.5m左右,基礎寬度在 600~3300mm 之間,柱下部分基礎設置基礎梁,基礎梁截面為500×500mm、250×500mm和350×500mm,底筋主要為422、416和316,上部鋼筋主要為 422、416 和 316。除旋轉樓梯處墊層混凝土強度為 100#(C8),其余均為 200#(C18)。該工程基礎施工時,先施工主體建筑,再施工單層廚房及旋轉樓梯。圖 5 給出了房屋基礎平面圖。



                四、房屋相對不均勻沉降和傾斜情況的檢測

                4.1  相對不均勻沉降情況的檢測

                    為了解房屋的相對不均勻沉降趨勢,本站于 2015 年 5 月 13 日采用日本SOKKIA C41 型高精度水準儀,測量了房屋的相對不均勻沉降趨勢(含施工誤差)。測量時以底層窗臺為相對水準面,測點布置及測量結果詳見圖 6。

                    從圖 6 中可以看出,房屋南北向相對不均勻沉降趨勢不明顯,局部表現為南端沉降略大,相對傾斜為 1.00‰左右;東西向整體表現為西端沉降大、東端沉降小,南側平均相對傾斜 8.04‰,北側平均相對傾斜 2.12‰左右,東西向整體平均相對傾斜 5.08‰左右。房屋東西向平均相對傾斜值超過上海市工程建設規范《地基基礎設計規范》(DGJ08-11-2010)關于同類建筑結構相對傾斜的限值(4‰),但尚低于中華人民共和國行業標準《危險房屋鑒定標準》(JGJ125-99)(2004 年版)關于同類建筑結構相對傾斜的限值(10‰)。

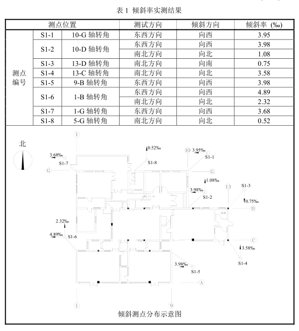
                4.2  房屋傾斜情況的檢測

                    根據現場測試條件,選取外墻轉角,采用日本產索佳 SOKKIA CX-102 電子全站儀對房屋的整體傾斜情況進行了檢測。通過測量外墻轉角處上下兩端的相對三維坐標(含施工誤差)推算房屋整體的傾斜率,實測結果參見表 1。從表 1 中可以看出,房屋東西向整體表現為向西傾斜,傾斜值在 3.68~4.89‰之間,其平均傾斜值為 4.10‰;房屋南北向為向北傾斜(局部向南傾斜),傾斜值在 0.52~3.58‰之間,其平均傾斜值為 1.35‰。房屋南北向傾斜與相對不均勻沉降趨勢無明顯一致規律;房屋東西向傾斜方向與相對不均勻沉降趨勢基本一致,且東西向平均傾斜值超過國家標準《建筑地基基礎設計規范》(GB50007-2011)關于同類建筑結構相對傾斜限值(4‰),但尚低于中華人民共和國行業標準《危險房屋鑒定標準》 (JGJ125-99) (2004年版)關于同類建筑結構傾斜率的限值(10‰)。


                五、房屋損傷狀況的檢測

                    在該大廈工作人員的支持與配合下,本站技術人員于 2015 年 5 月 13日對房屋損傷狀況進行了全面調查,調查范圍主要包括室內外損傷情況檢測。表2 為房屋損傷調查結果統計,附錄 II 給出了房屋損傷分布示意圖。經現場檢測發現,房屋損傷情況主要表現為:
                    1)室內墻面開裂。多數房間發現有門窗洞口周邊的豎向或斜向裂縫、縱橫墻表面有豎向或不規則裂縫,裂縫寬度在 0.1~1mm 之間;
                    2)樓面板底開裂。三樓北側休息室頂板底發現開裂現象,裂縫寬度約 0.1mm;
                    3)外墻內側墻面或頂板底滲水。窗邊墻頂及窗角部位頂板底有多處滲水現象;
                    4)室內墻面粉刷空鼓、剝落現象。廚房或陽臺區域墻面出現開裂、空鼓或剝落現象,部分房間墻面、陽臺、窗臺和頂板及檐口處出現粉刷剝落現象;
                    5)外立面墻體開裂。外立面窗臺角部存在斜裂縫,廚房西側墻面有斜向和豎向裂縫,其他立面存在不規則裂縫;女兒墻與屋面交接處水平裂縫較多、近 9/A 軸處女兒墻豎向裂縫較寬;陽臺和旋轉樓梯存在斜向和水平裂縫;各類型裂縫寬度在 0.1~0.3mm;
                    6)室外部分損傷。園區圍墻不規則裂縫較多,且西側圍墻墻面斜向和豎向裂縫較寬較密,寬度在 0.1~0.5mm;東南角操場地面有塌陷情況;大堂入口存在地面瓷磚開裂,地面裂縫存在繼續發展情況。


                六、房屋變形及損傷情況的監測

                6.1  變形及損傷監測方案

                    為了解房屋變形及損傷的發展趨勢,根據現場檢測條件,在該大廈東南角居民樓墻腳設置沉降觀測點 BM1、BM2(高程假定為 4.0000m,參見圖 1),并在房屋四周墻腳射入射釘作為沉降監測點,采用日本產索佳的精密電子水準儀SDL30(精度為±0.4mm/km),對各測點沉降高程進行了測量,通過監測高程變化確定房屋沉降發展趨勢。并選取房屋的典型裂縫處,騎縫設置尺寸為 50 × 100mm的石膏餅(照片 39~42),通過觀測石膏餅裂縫的開展及發展狀況,確定損傷的發展趨勢。沉降和裂縫監測頻率為 1 次/周,共監測六次。圖 7 為房屋沉降監測點的現場布置圖,圖 8 給出了石膏餅裂縫監測點布置圖。

                6.2  沉降監測結果的分析

                    本站于 2015 年 4 月 29 日~6 月 3 日期間對房屋沉降情況進行了六次監測,監測結果參見表 3。根據監測數據進行分析可知,監測期間各測點高程均呈現一定的下沉,但總體發展較為平緩,房屋各測點的累積沉降量在- 0.07mm~-2.1 mm之間,平均沉降速度在 0.002mm~0.057mm/天之間;除監測點 C1、C2、C17 和C18 外,其余點沉降速度均高于上海市工程建設規范《地基基礎設計規范》(DGJ08-11-2010)中一般工程沉降穩定的判斷值(±0.011mm/天)的要求,即監測數據顯示房屋整體沉降尚未完全趨于穩定。圖 9 為根據監測成果整理出的房屋沉降發展趨勢示意圖。

                    從各監測點累積沉降量來看,西側各測點(C9、C10、C13、C14)累積沉降量在-2.02mm~-2.10mm 之間,中間偏西側各點(C11、C12)累積沉降量在-1.72mm~-1.74mm 之間,南側各測點(C4~C8)累積沉降量在-1.02mm~-1.42mm之間,其余北側各測點累積沉降量均小于-1mm。由分析結果可知,監測期間,房屋西側、南側沉降速度大,東側、北側沉降速度小,房屋分別呈現向西和向南約 0.05‰ 和 0.004‰的相對傾斜;但通過沉降發展趨勢示意圖可以看出沉降整體有減緩趨勢,建議對房屋變形繼續進行監測。

                6.3  損傷監測結果的分析

                    本站與于 2015 年 5 月 13 日~6 月 3 日期間,對房屋典型裂縫處的石膏餅開展情況進行了監測。表 4 給出了石膏餅裂縫觀測結果。

                    從裂縫監測數據可知,房屋主體裂縫沒有進一步發展,但房屋西側圍墻內側裂縫(LF2)有一定的發展,在第四次監測后累積寬度增量為 0.9mm(照片 41),第五次監測時裂縫繼續發展,石膏餅斷裂(照片 42)。


                七、變形及損傷對房屋影響的分析

                7.1  變形對房屋影響的分析

                    相對不均勻沉降結果表明,房屋南北向相對不均勻沉降趨勢不明顯,局部表現為南端沉降略大,相對傾斜為 1.00‰左右;東西向呈現為向西的相對不均勻沉降,平均相對傾斜 5.08‰左右。傾斜檢測結果表明,房屋東西向整體表現為向西傾斜,平均傾斜值為 4.10‰;房屋南北向為向北傾斜(局部向南傾斜),平均傾斜值為 1.35‰。房屋東西向傾斜方向與相對不均勻沉降趨勢基本一致,且東西向平均傾斜值超過國家標準《建筑地基基礎設計規范》(GB50007-2011)關于同類建筑結構傾斜率限值(4‰),但尚低于中華人民共和國行業標準《危險房屋鑒定標準》(JGJ125-99)(2004 年版)關于同類建筑結構相對傾斜的限值(10‰)。

                    沉降監測結果表明,房屋各測點仍呈現下沉趨勢,各測點的累積沉降量在-0.07mm~-2.1mm 之間,監測期間房屋分別呈現向西和向南約 0.05‰ 和 0.004‰的相對傾斜,目前房屋整體沉降尚未完全趨于穩定,但其沉降有減緩的趨勢。根據相鄰工程的結構情況及其與房屋的位置關系,結合房屋變形檢測監測結果可知,監測期間房屋仍呈現一定的沉降,主要與相鄰工程項目后期帶來的附加沉降有關,且相鄰工程施工可能是房屋整體向西傾斜較大的原因,由于無施工前的檢測數據,無法判斷施工前后房屋傾斜的變化值。房屋目前向西的傾斜值尚低于中華人民共和國行業標準《危險房屋鑒定標準》(JGJ125-99)(2004 年版)關于同類建筑結構傾斜率的限值(10‰),建議對房屋變形繼續進行監測。

                7.2  損傷對房屋影響的分析

                    房屋多數房間發現有門窗洞口周邊的豎向或斜向裂縫、縱橫墻表面有豎向或不規則裂縫,主要為材料收縮導致;部分板底出現水平裂縫,主要為預制板間拼接處的材料收縮裂縫;部分室內墻面及頂板出現滲水現象,主要為材料收縮伴雨水滲入導致;部分墻面粉刷空鼓、剝落,部分外墻面及女兒墻開裂,主要為面層材料收縮導致。相鄰工程施工可能會帶來房屋已有損傷的后續發展,由于未進行施工前的檢測,無法對施工期間損傷的發展情況作出判斷。房屋以上損傷主要為非結構損傷,不影響其整體結構安全。
                另外,園區圍墻不規則裂縫較多,且西側圍墻墻面斜向和豎向裂縫較寬較密,主要為材料收縮及溫度作用有關;東南角操場地面有塌陷情況,大堂入口存在地面瓷磚開裂等。相鄰工程施工帶來的附加沉降會導致以上損傷的發展。損傷監測結果表明,房屋西側圍墻內側裂縫(LF2)有一定的發展,與相鄰工程施工帶來的后續附加沉降有關,其余監測點裂縫均未有進一步發展。


                八、檢測評定結論與建議

                    1)房屋南北向相對不均勻沉降趨勢不明顯,局部表現為南端沉降略大,相對傾斜為 1.00‰左右;東西向整體表現為西端沉降大、東端沉降小,平均相對傾斜5.08‰左右。房屋東西向沉降平均相對傾斜值超過上海市工程建設規范《地基基礎設計規范》(DGJ08-11-2010)關于同類建筑結構相對傾斜的限值(4‰),但尚低于中華人民共和國行業標準《危險房屋鑒定標準》(JGJ125-99)(2004年版)關于同類建筑結構相對傾斜的限值(10‰)。

                    2)房屋東西向整體表現為向西傾斜,其平均傾斜值為 4.10‰;房屋南北向為向北傾斜(局部向南傾斜),其平均傾斜值為 1.35‰。房屋南北向傾斜與相對不均勻沉降趨勢無明顯一致規律;房屋東西向傾斜方向與相對不均勻沉降趨勢基本一致,且東西向平均傾斜值超過國家標準《建筑地基基礎設計規范》(GB50007-2011)關于同類建筑結構傾斜率限值(4‰),但尚低于中華人民共和國行業標準《危險房屋鑒定標準》(JGJ125-99)(2004 年版)關于同類建筑結構傾斜率的限值(10‰)。

                    3)沉降監測結果表明,房屋各測點仍呈現下沉趨勢,各測點的累積沉降量在-0.07mm~-2.1mm之間,監測期間房屋分別呈現向西和向南約0.05‰ 和0.004‰的相對傾斜,目前房屋整體沉降尚未完全趨于穩定,但其沉降有減緩的趨勢。

                    4)根據相鄰工程的結構情況及其與房屋的位置關系,結合房屋變形檢測監測結果可知,監測期間房屋仍呈現一定的沉降,主要與相鄰工程項目后期帶來的附加沉降有關,且相鄰工程施工可能是房屋整體向西傾斜較大的原因,由于無施工前的檢測數據,無法判斷施工前后房屋傾斜的變化值。

                    5)房屋多數房間發現有門窗洞口周邊開裂現象,主要為材料收縮導致;部分板底出現水平裂縫,主要為預制板間拼接處的材料收縮裂縫;部分外墻內側墻面及頂板出現滲水現象,主要為材料收縮伴雨水滲入導致;部分墻面粉刷空鼓、剝落,部分外墻面及女兒墻開裂,主要為面層材料收縮導致。相鄰工程施工會帶來房屋已有損傷的發展,由于未進行施工前的檢測,無法對施工期間損傷的發展情況作出判斷。房屋以上損傷主要為非結構損傷,不影響其整體結構安全。

                    6)園區圍墻不規則裂縫較多,且西側圍墻墻面斜向和豎向裂縫較寬較密,主要為材料收縮及溫度作用有關;東南角操場地面有塌陷情況,大堂入口存在地面瓷磚開裂等。相鄰工程施工帶來的附加沉降會導致以上損傷的發展。

                    7)損傷監測結果表明,房屋西側圍墻內側裂縫(LF2)有一定的發展,與相鄰工程施工帶來的后續附加沉降有關,其余監測點裂縫均未有進一步發展。

                    8)目前房屋整體沉降尚未完全趨于穩定,建議對其變形繼續進行監測,待變形穩定后,可采取必要措施對發現的損傷進行修復加固處理。


                九、檢測評定單位及主要負責人

                    檢測評定單位: 
                    項目負責人: 
                    技術人員 : 
                    技術負責人:


                十、主要技術依據

                    1)國家標準《混凝土結構設計規范》(GB50010-2010)
                    2)國家標準《砌體結構設計規范》(GB 50003-2011)
                    3)國家標準《建筑地基基礎設計規范》(GBJ50007-2011)
                    4)上海市工程建設規范《房屋質量檢測規程》(DG/TJ08-79-2008)
                    5)上海市工程建設規范《既有建筑物結構檢測與評定標準》(DG/TJ08-804-2005)
                    6)上海市工程建設規范《現有建筑抗震鑒定與加固規程》(DGJ08-81-2000)
                    7)中華人民共和國行業標準《建筑變形測量規程》(JGJ/T 8-2007)
                    8)委托方提供的原始建筑結構設計圖紙,上海縣建筑設計室,1988


                附錄 I  照片集
                附錄 II  房屋損傷分布示意圖

                ZBIbzSfnxsq4FmPscAhxLK4nyEx6IiHoqbqxH3t0V3hDw/QAITK8qlbDJPB5/FnZM6Hiq4ndLfiYBp3F+xbQgZxX4FkMiO1H/jaxXb1ZsgVlNm02KexngNqsdRGxzSXB/Rxy+7W+IVFP6vbYjUhFvVsNz7MfUFIDCxEgZQGKOJE= 啦啦啦中文免费观看在线